电厂汽轮机做功后的乏汽,需经汽轮机凝汽设备冷却为凝结水,凝结水泵将凝水送入回热系统,对水进行回热利用并循环加热。按冷却方式,冷却系统可以分为湿式冷却系统(水冷系统)和干式冷却系统(空气冷却系统)两大类。





干冷(空冷):
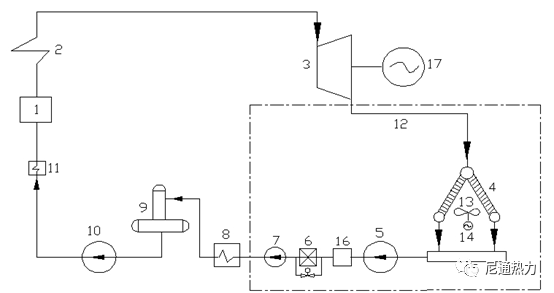
干式冷却系统即空冷系统,分为直接空冷系统和间接空冷系统两种。
直接空冷系统:
直接空冷系统是指汽轮机的排汽直接用空气来冷凝,空气与蒸汽间进行热交换。所需冷却空气,通常由机械通风方式供应。直接空冷所用的空冷凝汽器是由外表面镀锌的椭圆形钢管外套翅片的若干个管束组成的。
汽轮机排汽通过粗大的排汽管道送到室外的空冷凝汽器内,轴流冷却风机使空气流过散热器外表面,将排汽冷凝成水,凝结水再经泵送回汽轮机的回热系统。
大型机组的空冷凝汽器通常在紧靠汽机房A列柱外侧,与主厂房平行的纵向平台上布置若干单元组,其总长度与主厂房长度基本一致。每个单元组由按一定比例的主凝器和分凝器组成“人”字形排列结构,并在其下部设置多台大直径轴流风机。
直接空冷系统的特点是设备少,系统简单,防冻性能好,占地少,通过对风机转速调节或投切风机可灵活调节空气量,基建投资相对较低。不足之处是对环境风速及风向很敏感,风机群噪声较大,厂用电略高,启动时造成凝汽系统内真空建立的时间长,冬季运行背压高于间冷。

间接空冷系统:
间接空冷系统分为混合式和表面式,即海勒系统与哈蒙系统。
带喷射式(混合式)凝汽器的间接空冷系统(以下简称为海勒系统):
海勒系统主要由喷射式凝汽器和空冷塔构成。系统中的中性冷却水进入凝汽器直接与汽轮机排汽混合并将其冷凝,受热后的冷却水绝大部分由冷却水循环泵送至空冷塔散热器,经与空气对流换热冷却后通过调压水轮机将冷却水再送至喷射式凝汽器进入下一个循环。受热的循环冷却水的极少部分经凝结水精处理装置处理后送至汽轮机回热系统。
该系统采用自然通风方式冷却,散热器垂直安装在自然通风冷却塔外圈。其优点是以微正压的低压水系统运行,凝汽器端差小,年平均背压低,可以使机组在较低的背压下运行,发电煤耗优于其它空冷方式,同时较之直接空冷系统适应不同风向大风的能力要高。缺点是设备多、系统复杂,凝结水精处理系统比较复杂,全铝制散热器在极端寒冷地区的防冻性能略差。


带表面式凝汽器的间接空冷系统(以下简称为哈蒙系统):
哈蒙系统由表面式凝汽器与空冷塔构成。与常规的湿冷系统基本相仿,不同之处是用表面式对流换热的空冷塔代替混合式蒸发冷却换热的湿冷塔,通常用不锈钢管凝汽器代替铜管凝汽器,用除盐水代替循环水,用密闭式循环冷却水系统代替开式循环冷却水系统。
该系统采用自然通风方式冷却,将散热器水平安装在自然通风冷却塔中。其优点是节约厂用电,设备少,冷却水系统与汽水系统分开,两者水质可按各自要求控制,该系统可以使机组在较低的背压下运行,较之直接空冷系统适应不同风向大风的能力要高。缺点是空冷塔占地大,基建投资多,系统中需进行两次表面式换热(汽—水,水—空气),全厂热效率低,冷季必须注意散热器的防冻。


优缺点对比:
直接空冷
优点是:
1、冷却效率高。取消了二次换热所需要的冷却水等中间冷却介质,初始温差大;
2、设备少,系统简单,基建投资较少,占地少;
3、系统空气量调节灵活,冬季运行防冻性能好。可通过调整风机转速或风机数量来调节进风量,以适应热负荷及气温的变化并防止空冷器内部结冰。
缺点是:
1、空冷凝汽器体积比水冷凝汽器体积大的多,庞大的真空系统容易漏气;
2、大直径的排汽管道加工比较困难;
3、直接空冷大多采用强制通风,因而增加了厂用电量,同时也增加了噪声源。
混合式间接空冷
优点是:
1、混合式凝汽器体积小,由于传热充分,传热端温差较小,造价低,运行维护方便;
2、汽轮机排汽管道短,真空系统小,保持了水冷的特点;
3、可与中背压汽轮机配套,煤耗率较低;
4、为了保持循环水系统处于微正压状态,避免空气渗入封闭系统,便于发现泄漏点。
缺点是:
1、设备多,系统复杂,布置困难;
2、由于采用了混合式凝汽器,系统中的冷却水量相当于锅炉给水的40倍,增加了水处理费用;
3、自动控制复杂,全铝制散热器的防冻性能差,冷却效果受风的影响大;
4、循环水泵功耗较大。
表面式间接空冷
优点是:
1、设备少,系统比较简单,节约厂用电;
2、冷却水系统与凝结水系统分开,两者水质可按各自要求控制;
3、散热器在塔内通常呈倾斜布置,带负荷能力受大风的影响小;
4、循环水系统处于密闭状态,循环水泵扬程低,消耗功率少,厂用电率低,理论上该系统耗水为零。
缺点是:
1、冷却水必须进行两次热交换,传热效果差;
2、在同样设计气温下,汽轮机背压较高,导致经济性下降;如果保证同样的汽轮机背压,则初始投资会相应增大;
3、占地面积大。

烟塔合一:
背景:
20世纪80年代初,为节省较高的烟气再热器的投资费用、有效降低脱硫系统的运行、维护费用,德国的一些部分电厂开始尝试利用自然通风冷却塔排放湿法脱硫后的烟气,以提高电厂的热效率和改善排烟的扩散效果。“烟塔合一”技术最早起源于德国,首先在德国投入商业应用。该技术的应用,可省去GGH和烟囱。
技术特点:
火电厂烟气脱硫主要采用石灰石—石膏湿法脱硫技术,为了增加脱硫后烟气的抬升高度,一是采用GGH,另一种方式则取消了火电厂中的烟囱,将锅炉经除尘、脱硫后排出的烟气,经自然通风冷却塔内的热空气抬升烟气排放到大气中,即“烟塔合一”。其基本原理在于利用冷却塔中的热能来提升烟气的排放高度。从而使烟气排放扩散范围更广,扩散高度更高。
优点:
1、烟气通过冷却塔下部与冷却塔中的水汽相混合后排放的技术,节省了烟气再热装置及其相应烟道的费用。
2、冷却塔气流的提升力,把净化处理烟气中残留的空气有害物排入大气,尽管气流温度低,但是体积流量较大,由此总流量较大,在多数天气情况下,都能够达到比同等烟气从烟囱排出的提升高度高。
3、不设烟囱,节省了烟囱的费用。
4、经过脱硫净烟气与冷却塔气流的混合废气中空气有害物相对含量(浓度)降低了,然而空气有害物总量与净烟气中的量相比保持近似不变。
缺点:
1、冷却塔中或者在气流刚离开冷却塔时会出现强烈的空气有害物,如二氧化硫和NOx与气流中水蒸气的反应,结果提前形成酸,在筒壁上形成的酸性物质会腐蚀塔筒,并在一定程度上影响循环水水质,须采取防护措施。
2、冷却塔喷出的水滴和气流中的雾滴在冷却塔附近比没有与烟气混合的冷却塔气流中的酸性大,对塔体有一定的腐蚀作用。
3、通过冷却塔排放烟气时,须对烟气进行脱氮处理。
三塔合一:
将燃煤火力发电厂中的烟囱、空冷塔和脱硫吸收塔“三塔合一”,将脱硫吸收塔布置在空冷塔的中心位置,烟气经过脱硫吸收塔脱硫后通过空冷塔内的干热空气流的包裹抬升下直接排入大气。
2018年12月13日,陕西榆能横山2台100万千瓦煤电一体化工程2号机组顺利完成168小时试运行,投入试生产,标志着国内首台“三塔合一”超超临界百万千瓦机组投产发电。